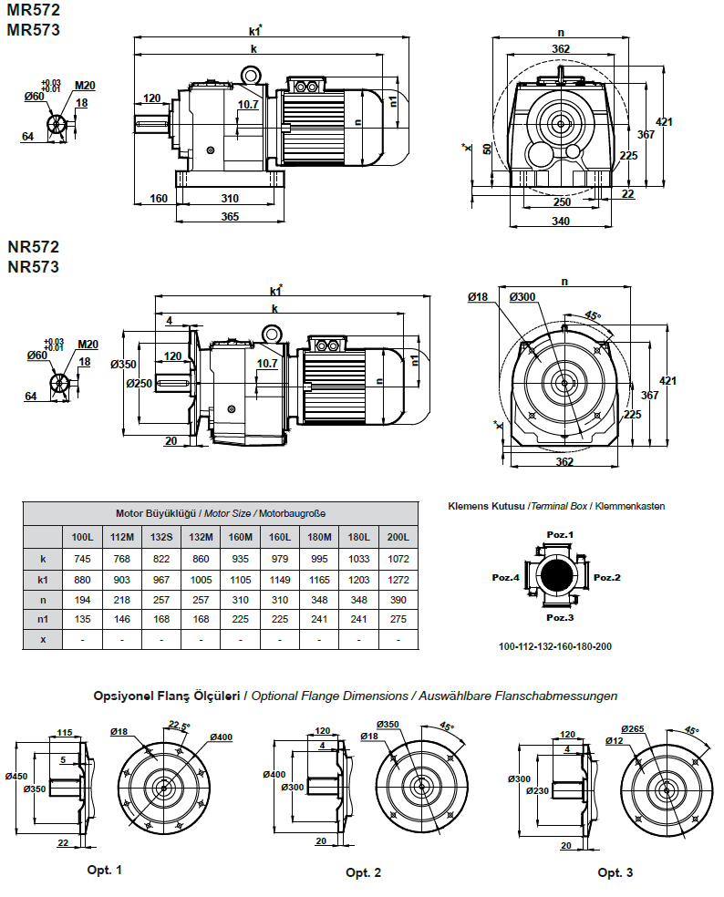
Габаритные и присоединительные размеры MR572, MR573 (MRF572, MRF573)
Назад
Назад
© 2014 Редукторы, мотор-редукторы, устройства плавного пуска, преобразователи частоты