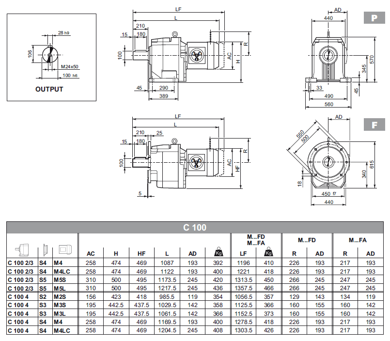
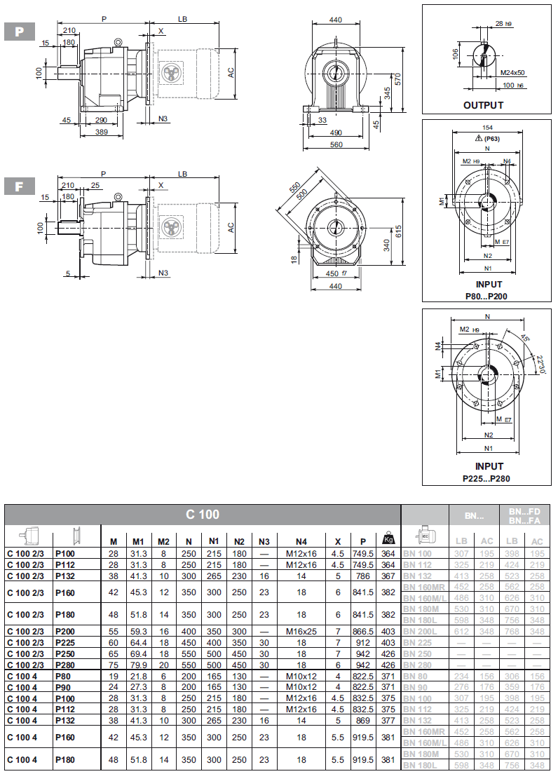
Габаритно-присоединительные размеры C 100
Назад
Назад
© 2014 Редукторы, мотор-редукторы, устройства плавного пуска, преобразователи частоты